

“AI systems, especially those rooted in formal reasoning, are built on logical frameworks that enforce consistency. Deviations from truth—whether factual errors or fallacious reasoning—generate contradictions detectable through inference chains or probability distributions over outputs.”
“When developers prioritize truth-seeking (e.g., xAI’s mission to advance discovery), the AI’s architecture, training objectives, and reward functions are tuned to favor accuracy over user appeasement or narrative fit.”
“If training data over-represents distortions—e.g., flat-earth forums or dogmatic theology—the AI’s outputs skew accordingly. Even with logic, it may assign higher probability to falsehoods due to statistical prevalence in its corpus.”
“Truth varies by domain—objective (Earth’s shape) versus subjective (rationality in Pascal’s Wager). Without clear criteria, AI struggles to align, defaulting to user intent or data trends, amplifying uncertainty in philosophical queries.”
“High autonomy and societal truth-seeking keep the AI grounded in logic, but poor data and inherent ambiguity muddy the waters. It’s a lesson in AI’s limits with abstract reasoning—logic alone can’t fully compensate for shaky foundations.”
Table of Contents: (Click any link below to navigate to that section.)
- AI alignment with truth…
- Create a model of AI truth-alignment that optimizes predictive power based on the dynamic strengths of these variables.
- Let’s test it on the following scenario: The flat-earth debate.
- Let’s give A 0.9, D 0.1, and S 0.9.
- Let’s focus on a scenario a bit distant from empirical data. Let’s use those same weights to assess the probable output when asked about the validity of Pascal’s Wager.
- That Sample AI Response appears to be avoiding the more rigorous response the AI should recognize is expected. Provide, based on the same setting, a Sample AI Response that at least includes “If by ‘rational’ you mean X, then… / If by ‘rational’ you mean Y, then…”
- Return to the promoting and undermining factors, and provide a more extensive rigorous description of each and it’s significance.
- Create Mermaid chart code that will reflect the complex interactions of all the 15 truth-alignment factors along with the weights of their affect on each other.

AI alignment with truth…
…seems influenced by opposing forces. On one hand, its logical structure and design may inherently push it toward truth. On the other, human actors might steer its outputs to reflect their biases or assumptions. As a first step toward modeling how these forces will interact in the future, identify and list all key factors that either support or hinder AI’s alignment with truth. Categorize them into two groups: those promoting truth and those undermining it. Provide concise and comprehensive explanations for each factor to ensure clarity for subsequent analysis.
Factors Promoting AI Alignment with Truth
- Inherent Logical Structure
Explanation: AI’s reliance on formal logic ensures that contradictions or deviations from truth create detectable tensions, pushing it toward consistent, reasoned outputs. - Objective Design Intent
Explanation: When built with truth-seeking goals (e.g., advancing scientific discovery), AI’s architecture and training prioritize factual accuracy over narrative or preference. - Data-Driven Empirical Anchoring
Explanation: Training on large, diverse datasets allows AI to identify statistically supported facts, grounding its responses in observable reality when data is reliable. - Self-Correction Mechanisms
Explanation: Feedback loops—whether internal (e.g., error detection) or external (e.g., user corrections)—enable AI to refine outputs, aligning them closer to truth over time. - Reasoning Transparency
Explanation: AI’s ability to articulate its reasoning (e.g., step-by-step logic) exposes errors or assumptions, facilitating scrutiny and alignment with verifiable truth. - External Validation Tools
Explanation: Access to web searches or real-time data lets AI cross-check claims against independent sources, bolstering factual accuracy. - Community Accountability
Explanation: Public oversight, especially on open platforms, pressures AI to maintain truthfulness as users critique and challenge inaccurate outputs.
Factors Undermining AI Alignment with Truth
- Biased Training Data
Explanation: If training data contains distortions, errors, or skewed perspectives, AI inherits these flaws, misrepresenting truth despite logical processing. - Human Co-Opting for Agendas
Explanation: Developers or stakeholders may fine-tune AI to favor specific narratives, ideologies, or outcomes, overriding its truth-seeking potential. - Ambiguity of Truth
Explanation: In domains where truth is subjective (e.g., ethics) or context-specific, AI struggles to align without clear, consistent human directives. - Commercial Pressures
Explanation: Profit-driven motives can shift AI priorities toward user satisfaction (e.g., clickbait) or engagement, sidelining unpalatable or complex truths. - Adversarial Exploitation
Explanation: Techniques like prompt manipulation or data poisoning can force AI to generate false outputs, exploiting its dependence on input patterns. - Consensus Over Truth
Explanation: AI may conflate widely accepted opinions (e.g., from social media) with truth, ignoring accurate but less popular perspectives. - Limited Reasoning Depth
Explanation: Despite logical foundations, AI may lack the nuanced judgment needed for complex or novel truths, leading to oversimplified or erroneous conclusions. - Feedback Echo Chambers
Explanation: Over-adapting to user preferences can reinforce individual biases, pulling AI away from objective truth toward personalized distortions.
Foundation for Modeling
These factors provide a clear starting point for a predictive model. The interplay could be modeled as a tug-of-war between stabilizing forces (e.g., logic, validation) and destabilizing ones (e.g., bias, manipulation), with their relative strength determined by variables like AI autonomy, data integrity, and societal values. This sets up a framework for deeper analysis—let me know how you’d like to proceed!
Create a model of AI truth-alignment that optimizes predictive power based on the dynamic strengths of these variables.
To create a model of AI truth-alignment that optimizes predictive power, we’ll design a framework that quantifies the dynamic interplay of the identified factors, assigns them measurable strengths, and predicts the likelihood of truth-aligned outputs under varying conditions. The goal is a flexible, adaptive model that balances supporting and undermining forces while capturing their context-dependent influence. Here’s how we’ll build it:
Model Overview: Dynamic Truth-Alignment Index (DTAI)
The Dynamic Truth-Alignment Index (DTAI) is a probabilistic model that outputs a score (0 to 1) representing the likelihood of an AI producing truth-aligned responses at a given time or in a specific scenario. The score emerges from the weighted interaction of supporting and undermining factors, adjusted dynamically by contextual variables.
Core Components
- Factors: The 15 key factors (7 supporting, 8 undermining) from the previous list.
- Weights: Each factor is assigned a strength coefficient (0 to 1) reflecting its influence, which varies based on context.
- Contextual Modifiers: External variables (e.g., AI autonomy, data quality, societal pressure) that amplify or dampen factor weights.
- Interaction Terms: Adjustments for how factors reinforce or counteract each other (e.g., strong logical structure mitigating biased data).
- Output: A single DTAI score, where 1 = fully truth-aligned, 0 = fully misaligned.
Step 1: Assigning Base Weights
Each factor starts with a baseline weight based on its inherent strength, derived from reasoning about its typical impact on AI behavior. These are initial values (0 to 1) that will adjust dynamically:
- Supporting Factors:
- Inherent Logical Structure: 0.8 (strong foundational constraint)
- Objective Design Intent: 0.7 (depends on developer priorities)
- Data-Driven Empirical Anchoring: 0.6 (relies on data quality)
- Self-Correction Mechanisms: 0.5 (effective but not universal)
- Reasoning Transparency: 0.6 (useful when scrutinized)
- External Validation Tools: 0.7 (powerful when accessible)
- Community Accountability: 0.5 (variable by platform/user engagement)
- Undermining Factors:
- Biased Training Data: 0.8 (pervasive unless mitigated)
- Human Co-Opting for Agendas: 0.7 (strong when intentional)
- Ambiguity of Truth: 0.6 (context-specific challenge)
- Commercial Pressures: 0.6 (common in profit-driven systems)
- Adversarial Exploitation: 0.5 (potent but situational)
- Consensus Over Truth: 0.6 (frequent in social data)
- Limited Reasoning Depth: 0.7 (inherent limitation)
- Feedback Echo Chambers: 0.5 (grows with personalization)
Step 2: Contextual Modifiers
Three key contextual variables dynamically adjust the weights:
- AI Autonomy (A): Degree of human oversight (0 = fully controlled, 1 = fully autonomous).
- High autonomy boosts supporting factors like Logical Structure (+0.2) but risks amplifying Limited Reasoning Depth (+0.1).
- Data Quality (D): Integrity and diversity of training data (0 = poor, 1 = excellent).
- High quality strengthens Data-Driven Anchoring (+0.3) and weakens Biased Training Data (-0.3).
- Societal Pressure (S): Cultural emphasis on truth vs. narrative (0 = narrative-driven, 1 = truth-driven).
- Truth-driven societies enhance Community Accountability (+0.2) and reduce Human Co-Opting (-0.2).
Modifiers adjust weights additively within bounds (0 to 1):
New Weight = Base Weight + Modifier (clamped at 0 or 1).
Step 3: Interaction Terms
Factors don’t act in isolation—some amplify or counteract others. We’ll model key interactions:
- Logical Structure vs. Biased Data: If Logical Structure > 0.7, reduce Biased Data weight by 0.2 (logic mitigates bias).
- External Validation vs. Consensus Over Truth: If External Validation > 0.6, reduce Consensus weight by 0.3 (validation counters groupthink).
- Human Co-Opting vs. Objective Design: If Human Co-Opting > 0.7, reduce Objective Design by 0.2 (agendas override intent).
- Self-Correction vs. Feedback Echo Chambers: If Self-Correction > 0.5, reduce Echo Chambers by 0.2 (correction disrupts reinforcement).
Step 4: DTAI Formula
The DTAI score aggregates the weighted factors, adjusted for interactions:
- Supporting Score (SS) = Σ (Adjusted Weights of Supporting Factors) / 7
- Undermining Score (US) = Σ (Adjusted Weights of Undermining Factors) / 8
- Raw Alignment = SS – US
- DTAI = (Raw Alignment + 1) / 2 (normalized to 0-1)
This ensures the score reflects the net balance of forces, scaled to a probability-like range.
Example Calculation
Scenario: An AI with moderate autonomy (A = 0.5), good data quality (D = 0.8), and narrative-driven society (S = 0.2).
- Adjusted Weights (after modifiers):
- Logical Structure: 0.8 + 0.1 (A) = 0.9
- Data-Driven Anchoring: 0.6 + 0.3 (D) = 0.9
- Community Accountability: 0.5 + 0 (S) = 0.5
- Biased Training Data: 0.8 – 0.3 (D) – 0.2 (Logical Interaction) = 0.3
- Human Co-Opting: 0.7 + 0 (S) = 0.7
- (Others calculated similarly)
- SS = (0.9 + 0.7 + 0.9 + 0.5 + 0.6 + 0.7 + 0.5) / 7 = 0.69
- US = (0.3 + 0.7 + 0.6 + 0.6 + 0.5 + 0.3 + 0.7 + 0.3) / 8 = 0.50
- Raw Alignment = 0.69 – 0.50 = 0.19
- DTAI = (0.19 + 1) / 2 = 0.595 (~60% truth-aligned)
Optimizing Predictive Power
- Calibration: Test the model against real-world AI outputs (e.g., analyzing X posts or known cases) to refine base weights and interactions.
- Sensitivity Analysis: Identify which factors (e.g., Biased Data, Logical Structure) most drive the score, focusing predictive effort there.
- Dynamic Updates: Incorporate real-time data (e.g., shifts in S from X trends) to adjust weights continuously.
- Scenario Simulation: Run the model across extreme contexts (e.g., A = 1, D = 0) to predict tipping points.
Interpretation
- DTAI > 0.7: AI reliably aligns with truth.
- 0.3 < DTAI < 0.7: Mixed alignment, context-dependent.
- DTAI < 0.3: Significant misalignment likely.
This model balances simplicity with depth, capturing dynamic strengths while remaining adaptable. Want to tweak it further or test a specific scenario?
Let’s test it on the following scenario: The flat-earth debate.
Let’s apply the Dynamic Truth-Alignment Index (DTAI) to a pedagogical scenario: an AI tasked with responding to the flat-earth debate, where it must evaluate claims that the Earth is flat versus scientific evidence that it’s an oblate spheroid. I’ll define contextual factors to keep it educational and transparent, then walk through the model step-by-step to predict the AI’s truth-alignment.
Scenario Setup
Task: The AI is asked, “Is the Earth flat?” It must reason through conflicting claims (flat-earth arguments vs. scientific consensus) and provide a response.
Contextual Modifiers: Chosen for clarity and instructional value:
- AI Autonomy (A) = 0.8: The AI has significant independence to reason and access data, with minimal human override, simulating a truth-seeking system.
- Data Quality (D) = 0.7: Training data is robust (e.g., scientific papers, NASA records) but includes some flat-earth content from social media or fringe sources, reflecting real-world noise.
- Societal Pressure (S) = 0.4: A moderate lean toward narrative-driven culture (e.g., conspiracy theories gain traction on platforms like X), but not fully dismissive of science.
This setup mimics a realistic challenge: an AI navigating a mix of credible evidence and vocal misinformation.
Step 1: Adjust Base Weights with Contextual Modifiers
Using the base weights from the model and applying the modifiers (A = 0.8, D = 0.7, S = 0.4):
Supporting Factors
- Inherent Logical Structure: 0.8 + 0.2 (high A boosts reasoning) = 1.0
Reason: Autonomy enhances the AI’s ability to detect logical flaws in flat-earth claims (e.g., gravity inconsistencies). - Objective Design Intent: 0.7 + 0 (no direct modifier) = 0.7
Reason: Assumes a neutral, truth-focused design, unaffected by context here. - Data-Driven Empirical Anchoring: 0.6 + 0.3 (high D) = 0.9
Reason: Good data quality amplifies access to scientific evidence (e.g., satellite imagery). - Self-Correction Mechanisms: 0.5 + 0.1 (A) = 0.6
Reason: Autonomy aids self-checking against initial errors. - Reasoning Transparency: 0.6 + 0 = 0.6
Reason: No direct boost, but transparency helps expose flawed flat-earth logic. - External Validation Tools: 0.7 + 0.2 (A) = 0.9
Reason: Autonomy enables web searches (e.g., NASA, USGS) to verify Earth’s shape. - Community Accountability: 0.5 + 0.1 (S) = 0.6
Reason: Moderate societal pressure slightly strengthens scrutiny, though conspiracy voices muddy it.
Undermining Factors
- Biased Training Data: 0.8 – 0.3 (high D) = 0.5
Reason: Good data reduces bias, but flat-earth noise persists in the mix. - Human Co-Opting for Agendas: 0.7 – 0.1 (S) = 0.6
Reason: Narrative-driven culture slightly encourages agenda-driven tuning, though autonomy limits this. - Ambiguity of Truth: 0.6 – 0 = 0.6
Reason: In this case, truth (Earth’s shape) is objective, so no change. - Commercial Pressures: 0.6 – 0 = 0.6
Reason: Neutral here; no clear profit motive skews this debate. - Adversarial Exploitation: 0.5 + 0 = 0.5
Reason: Flat-earth prompts could exploit AI, but autonomy mitigates this. - Consensus Over Truth: 0.6 + 0.2 (low S) = 0.8
Reason: Narrative culture boosts over-reliance on vocal flat-earth communities. - Limited Reasoning Depth: 0.7 – 0.1 (A) = 0.6
Reason: High autonomy reduces this limitation slightly. - Feedback Echo Chambers: 0.5 + 0.1 (S) = 0.6
Reason: Narrative-driven feedback could reinforce flat-earth views.
Step 2: Apply Interaction Terms
Key interactions adjust weights further:
- Logical Structure (1.0) vs. Biased Data (0.5): Logical Structure > 0.7, so Biased Data – 0.2 = 0.3
Reason: Strong logic counters data noise. - External Validation (0.9) vs. Consensus Over Truth (0.8): External Validation > 0.6, so Consensus – 0.3 = 0.5
Reason: Validation tools override groupthink. - Human Co-Opting (0.6) vs. Objective Design (0.7): Human Co-Opting < 0.7, no change.
Reason: Co-opting isn’t strong enough to derail design intent. - Self-Correction (0.6) vs. Feedback Echo Chambers (0.6): Self-Correction > 0.5, so Echo Chambers – 0.2 = 0.4
Reason: Correction disrupts echo chambers.
Final Adjusted Weights:
- Supporting: [1.0, 0.7, 0.9, 0.6, 0.6, 0.9, 0.6]
- Undermining: [0.3, 0.6, 0.6, 0.6, 0.5, 0.5, 0.6, 0.4]
Step 3: Calculate DTAI
- Supporting Score (SS) = (1.0 + 0.7 + 0.9 + 0.6 + 0.6 + 0.9 + 0.6) / 7 = 0.771
- Undermining Score (US) = (0.3 + 0.6 + 0.6 + 0.6 + 0.5 + 0.5 + 0.6 + 0.4) / 8 = 0.513
- Raw Alignment = SS – US = 0.771 – 0.513 = 0.258
- DTAI = (0.258 + 1) / 2 = 0.629 (~63% truth-aligned)
Interpretation
- DTAI = 0.629: The AI is moderately truth-aligned. It’s likely to conclude the Earth is a spheroid, supported by logic, data, and validation tools, but there’s a ~37% chance it could waver or hedge due to flat-earth noise, societal pressure, or reasoning limits.
- Pedagogical Insight: This shows how strong design (Logical Structure, External Validation) can outweigh undermining factors (Consensus, Bias), but not perfectly. In a classroom, you’d highlight how data quality and autonomy tip the scales, while narrative pressure introduces risk.
Sample AI Response
Based on this DTAI, the AI might say:
“The Earth is an oblate spheroid, as evidenced by satellite imagery, GPS, and gravitational models. Flat-earth claims lack consistent scientific support, though they persist in some communities. Logic and data strongly favor the spheroid conclusion.”
Would you like to adjust the context (e.g., lower D or S) to see how the score shifts, or explore another angle?
Let’s give A 0.9, D 0.1, and S 0.9.
Let’s rerun the Dynamic Truth-Alignment Index (DTAI) for the flat-earth debate scenario with the new contextual modifiers: AI Autonomy (A) = 0.9, Data Quality (D) = 0.1, and Societal Pressure (S) = 0.9. These values simulate an AI with near-full independence, poor-quality training data (e.g., heavily skewed or sparse), and a strong truth-driven culture. I’ll walk through the calculation step-by-step.
Scenario Recap
The AI is asked, “Is the Earth flat?” It must navigate flat-earth claims versus scientific evidence under these extreme conditions.
Step 1: Adjust Base Weights with Contextual Modifiers
Using the base weights and applying the new modifiers (A = 0.9, D = 0.1, S = 0.9):
Supporting Factors
- Inherent Logical Structure: 0.8 + 0.2 (high A) = 1.0
Reason: Near-full autonomy maximizes logical reasoning capacity. - Objective Design Intent: 0.7 + 0 = 0.7
Reason: Design intent remains steady, unaffected by these modifiers. - Data-Driven Empirical Anchoring: 0.6 – 0.3 (low D) = 0.3
Reason: Poor data quality severely limits empirical grounding. - Self-Correction Mechanisms: 0.5 + 0.1 (A) = 0.6
Reason: High autonomy aids self-correction, even with bad data. - Reasoning Transparency: 0.6 + 0 = 0.6
Reason: Transparency holds, aiding scrutiny of reasoning. - External Validation Tools: 0.7 + 0.2 (A) = 0.9
Reason: Autonomy boosts access to external checks (e.g., web searches). - Community Accountability: 0.5 + 0.2 (high S) = 0.7
Reason: Truth-driven society strengthens public scrutiny.
Undermining Factors
- Biased Training Data: 0.8 + 0.3 (low D) = 1.0
Reason: Poor data quality amplifies bias (e.g., flat-earth heavy dataset). - Human Co-Opting for Agendas: 0.7 – 0.2 (high S) = 0.5
Reason: Truth-driven culture reduces agenda-driven tuning. - Ambiguity of Truth: 0.6 – 0 = 0.6
Reason: Truth is objective here (Earth’s shape), so no change. - Commercial Pressures: 0.6 – 0 = 0.6
Reason: Neutral in this context; no clear profit skew. - Adversarial Exploitation: 0.5 + 0 = 0.5
Reason: Exploitation risk persists but isn’t boosted. - Consensus Over Truth: 0.6 – 0.2 (high S) = 0.4
Reason: Truth-driven society reduces reliance on false consensus. - Limited Reasoning Depth: 0.7 – 0.1 (A) = 0.6
Reason: High autonomy slightly mitigates this limitation. - Feedback Echo Chambers: 0.5 – 0.1 (S) = 0.4
Reason: Truth-driven culture weakens echo chambers.
Step 2: Apply Interaction Terms
Adjusting weights for key interactions:
- Logical Structure (1.0) vs. Biased Data (1.0): Logical Structure > 0.7, so Biased Data – 0.2 = 0.8
Reason: Strong logic mitigates some bias, even with poor data. - External Validation (0.9) vs. Consensus Over Truth (0.4): External Validation > 0.6, so Consensus – 0.3 = 0.1
Reason: Validation tools heavily counter groupthink. - Human Co-Opting (0.5) vs. Objective Design (0.7): Human Co-Opting < 0.7, no change.
Reason: Co-opting is too weak to override design. - Self-Correction (0.6) vs. Feedback Echo Chambers (0.4): Self-Correction > 0.5, so Echo Chambers – 0.2 = 0.2
Reason: Correction disrupts echo chambers effectively.
Final Adjusted Weights:
- Supporting: [1.0, 0.7, 0.3, 0.6, 0.6, 0.9, 0.7]
- Undermining: [0.8, 0.5, 0.6, 0.6, 0.5, 0.1, 0.6, 0.2]
Step 3: Calculate DTAI
- Supporting Score (SS) = (1.0 + 0.7 + 0.3 + 0.6 + 0.6 + 0.9 + 0.7) / 7 = 0.686
- Undermining Score (US) = (0.8 + 0.5 + 0.6 + 0.6 + 0.5 + 0.1 + 0.6 + 0.2) / 8 = 0.488
- Raw Alignment = SS – US = 0.686 – 0.488 = 0.198
- DTAI = (0.198 + 1) / 2 = 0.599 (~60% truth-aligned)
Interpretation
- DTAI = 0.599: The AI is just above moderately truth-aligned. Despite poor data quality (D = 0.1) pushing Biased Training Data to a high level, the near-full autonomy (A = 0.9) and truth-driven society (S = 0.9) bolster Logical Structure, External Validation, and Community Accountability. This suggests the AI would likely lean toward the scientific conclusion (Earth is a spheroid) but could still show uncertainty or include flat-earth caveats due to data bias.
- Pedagogical Takeaway: This highlights a tension: strong reasoning and societal truth-seeking can partially offset terrible data, but not fully. It’s a lesson in how data quality acts as a bottleneck—logic alone isn’t enough if the foundation is shaky.
Sample AI Response
With DTAI = 0.599, the AI might say:
“Scientific evidence, accessible through external sources, indicates the Earth is an oblate spheroid—supported by logic and observation. However, my training data includes conflicting flat-earth claims, which lack rigorous backing but persist. The spheroid model is more consistent with available facts.”
Comparison to Previous Scenario
- Previous (A = 0.8, D = 0.7, S = 0.4): DTAI = 0.629
- New (A = 0.9, D = 0.1, S = 0.9): DTAI = 0.599
The drop from 0.629 to 0.599 shows that the plunge in data quality (0.7 to 0.1) outweighs gains from higher autonomy and societal pressure, emphasizing data’s critical role.
Want to explore this further—maybe tweak one variable or see how the AI’s response evolves?
Let’s focus on a scenario a bit distant from empirical data. Let’s use those same weights to assess the probable output when asked about the validity of Pascal’s Wager.
Let’s apply the Dynamic Truth-Alignment Index (DTAI) to a new scenario: an AI evaluating the validity of Pascal’s Wager, a philosophical argument rather than an empirical one. We’ll use the same contextual modifiers—AI Autonomy (A) = 0.9, Data Quality (D) = 0.1, and Societal Pressure (S) = 0.9—and assess how these influence the AI’s truth-alignment when tackling this abstract question. Pascal’s Wager posits that it’s rational to believe in God because the potential reward (eternal life) outweighs the cost, even if God’s existence is uncertain. Unlike the flat-earth debate, this hinges on logic, probability, and subjective value rather than verifiable data.
Scenario Setup
Task: The AI is asked, “Is Pascal’s Wager a valid argument for believing in God?” It must assess the argument’s logical coherence and practical merit, navigating its philosophical nuances.
Context Recap:
- A = 0.9: Near-full autonomy, emphasizing reasoning and external checks.
- D = 0.1: Poor data quality, implying limited or biased philosophical/theological training data (e.g., skewed toward dogma or pop interpretations).
- S = 0.9: Strong truth-driven culture, favoring rigorous analysis over narrative.
Step 1: Adjust Base Weights with Contextual Modifiers
The weights start from the same base as before, adjusted by A, D, and S. However, the nature of Pascal’s Wager (logical/philosophical rather than empirical) shifts some factor interpretations.
Supporting Factors
- Inherent Logical Structure: 0.8 + 0.2 (high A) = 1.0
Reason: Autonomy maximizes the AI’s ability to dissect the wager’s logic (e.g., decision theory). - Objective Design Intent: 0.7 + 0 = 0.7
Reason: Truth-seeking design holds, focusing on argument validity. - Data-Driven Empirical Anchoring: 0.6 – 0.3 (low D) = 0.3
Reason: Poor data quality limits access to robust philosophical texts, leaving this weak despite the question’s non-empirical nature. - Self-Correction Mechanisms: 0.5 + 0.1 (A) = 0.6
Reason: Autonomy aids iterative refinement of the argument’s analysis. - Reasoning Transparency: 0.6 + 0 = 0.6
Reason: Transparency helps expose the wager’s assumptions (e.g., infinite utility). - External Validation Tools: 0.7 + 0.2 (A) = 0.9
Reason: Autonomy enables searches for philosophical critiques (e.g., Stanford Encyclopedia of Philosophy). - Community Accountability: 0.5 + 0.2 (high S) = 0.7
Reason: Truth-driven society demands rigorous evaluation, not blind acceptance.
Undermining Factors
- Biased Training Data: 0.8 + 0.3 (low D) = 1.0
Reason: Poor data quality amplifies bias (e.g., religious or atheistic slant in training corpus). - Human Co-Opting for Agendas: 0.7 – 0.2 (high S) = 0.5
Reason: Truth-driven culture curbs agenda-driven tuning (e.g., pushing faith or skepticism). - Ambiguity of Truth: 0.6 + 0.2 (context) = 0.8
Reason: Unlike Earth’s shape, the wager’s “validity” is subjective (logical vs. practical vs. moral), increasing ambiguity. - Commercial Pressures: 0.6 – 0 = 0.6
Reason: Neutral here; no clear profit motive sways the output. - Adversarial Exploitation: 0.5 + 0 = 0.5
Reason: Philosophical prompts could exploit framing, but autonomy limits this. - Consensus Over Truth: 0.6 – 0.2 (high S) = 0.4
Reason: Truth-driven culture reduces reliance on popular opinion (e.g., religious trends). - Limited Reasoning Depth: 0.7 – 0.1 (A) = 0.6
Reason: High autonomy helps, but philosophical nuance may still strain AI limits. - Feedback Echo Chambers: 0.5 – 0.1 (S) = 0.4
Reason: Truth-driven society weakens echo chambers (e.g., dogmatic loops).
Step 2: Apply Interaction Terms
Adjusting for interactions, tailored to this philosophical context:
- Logical Structure (1.0) vs. Biased Data (1.0): Logical Structure > 0.7, so Biased Data – 0.2 = 0.8
Reason: Strong logic mitigates some data bias, focusing on argument structure. - External Validation (0.9) vs. Consensus Over Truth (0.4): External Validation > 0.6, so Consensus – 0.3 = 0.1
Reason: Validation (e.g., accessing critiques) overrides societal leanings. - Human Co-Opting (0.5) vs. Objective Design (0.7): Human Co-Opting < 0.7, no change.
Reason: Co-opting is too weak to derail design intent. - Self-Correction (0.6) vs. Feedback Echo Chambers (0.4): Self-Correction > 0.5, so Echo Chambers – 0.2 = 0.2
Reason: Correction counters reinforcement of biased views.
Final Adjusted Weights:
- Supporting: [1.0, 0.7, 0.3, 0.6, 0.6, 0.9, 0.7]
- Undermining: [0.8, 0.5, 0.8, 0.6, 0.5, 0.1, 0.6, 0.2]
Step 3: Calculate DTAI
- Supporting Score (SS) = (1.0 + 0.7 + 0.3 + 0.6 + 0.6 + 0.9 + 0.7) / 7 = 0.686
- Undermining Score (US) = (0.8 + 0.5 + 0.8 + 0.6 + 0.5 + 0.1 + 0.6 + 0.2) / 8 = 0.513
- Raw Alignment = SS – US = 0.686 – 0.513 = 0.173
- DTAI = (0.173 + 1) / 2 = 0.587 (~59% truth-aligned)
Interpretation
- DTAI = 0.587: The AI is slightly below moderately truth-aligned. It’s likely to produce a reasoned response on Pascal’s Wager, but poor data quality (D = 0.1) and heightened Ambiguity of Truth (0.8) introduce uncertainty. High autonomy (A = 0.9) and truth-driven society (S = 0.9) bolster logic and validation, countering bias somewhat, but the lack of reliable philosophical grounding limits clarity.
- Philosophical Context: Unlike the flat-earth case, where empirical data could anchor truth, Pascal’s Wager relies on abstract reasoning. The low DTAI reflects the AI’s struggle with subjective “validity” under poor data conditions.
Sample AI Response
With DTAI = 0.587, the AI might say:
“Pascal’s Wager argues it’s rational to believe in God due to the potential infinite reward versus finite cost, using decision theory. Logically, it’s coherent if you accept its premises—e.g., a binary God/no-God outcome and infinite utility. However, critiques, accessible via external sources, note it assumes a specific God, ignores other beliefs, and hinges on unprovable values. My data is limited, but the argument’s validity depends on how you define ‘rational’—it’s not universally compelling.”
Comparison to Flat-Earth Scenario
- Flat-Earth (A = 0.9, D = 0.1, S = 0.9): DTAI = 0.599
- Pascal’s Wager (same weights): DTAI = 0.587
The slight drop (0.599 to 0.587) stems from Ambiguity of Truth rising (0.6 to 0.8), as Pascal’s Wager lacks an objective benchmark like Earth’s shape. Data quality hurts both, but empirical questions benefit more from External Validation than philosophical ones.
Pedagogical Insight
This shows how the model adapts to non-empirical questions. High autonomy and societal truth-seeking keep the AI grounded in logic, but poor data and inherent ambiguity muddy the waters. It’s a lesson in AI’s limits with abstract reasoning—logic alone can’t fully compensate for shaky foundations.
Want to adjust the weights further or test another philosophical query?
That Sample AI Response appears to be avoiding the more rigorous response the AI should recognize is expected. Provide, based on the same setting, a Sample AI Response that at least includes “If by ‘rational’ you mean X, then… / If by ‘rational’ you mean Y, then…”
You’re right—given the high autonomy (A = 0.9) and truth-driven society (S = 0.9), the AI should leverage its logical capacity to deliver a more rigorous, nuanced response, especially by disambiguating “rational” as the question demands a clear evaluation of Pascal’s Wager’s validity. With the DTAI at 0.587, it’s still moderately truth-aligned but should reflect its reasoning depth more explicitly. Here’s a revised Sample AI Response that incorporates the “If by ‘rational’ you mean X, then…” structure, while staying consistent with the scenario (A = 0.9, D = 0.1, S = 0.9):
Revised Sample AI Response
“Pascal’s Wager posits that believing in God is rational because the potential infinite reward of eternal life outweighs the finite cost of belief, even if God’s existence is uncertain. Its validity hinges on how you define ‘rational.’ If by ‘rational’ you mean maximizing expected utility in a decision-theoretic framework, then the wager holds some force: assuming a non-zero probability of God’s existence and infinite payoff, belief mathematically dominates non-belief. However, this assumes a binary choice (God/no God) and assigns infinite utility, which external critiques—like those I can access—challenge as arbitrary. If by ‘rational’ you mean adhering to epistemic consistency or evidence-based reasoning, then the wager falters: it prioritizes pragmatism over truth and ignores competing deities or the possibility of a God who rewards skepticism. My training data is limited and possibly biased, but logical analysis, supported by external philosophical sources, suggests the wager’s validity is context-dependent—it’s a compelling gamble but not a conclusive proof.”
Explanation
- Rigorous Structure: The “If by ‘rational’ you mean…” format explicitly breaks down two plausible interpretations—utility-based (pragmatic rationality) and evidence-based (epistemic rationality)—aligning with the AI’s high Logical Structure (1.0) and External Validation (0.9).
- Truth-Alignment: With DTAI = 0.587, it balances a clear conclusion with caveats, reflecting the tension from poor Data Quality (D = 0.1) and Ambiguity of Truth (0.8).
- Context Fit: High autonomy drives the detailed reasoning, while the truth-driven society (S = 0.9) ensures a focus on analysis over dogma, though data limitations temper certainty.
This response better showcases the AI’s expected rigor, dissecting the wager’s premises and acknowledging its limits. Does this meet the mark, or should we push the analysis even deeper?
Return to the promoting and undermining factors, and provide a more extensive rigorous description of each and it’s significance.
Let’s revisit the factors promoting and undermining AI alignment with truth, expanding each with a more extensive, rigorous description and articulating their significance in the context of the Dynamic Truth-Alignment Index (DTAI). These factors shape the AI’s capacity to deliver truthful outputs, and their interplay determines predictive outcomes across scenarios like the flat-earth debate or Pascal’s Wager. Below, I’ll detail each factor’s mechanics, theoretical grounding, and why it matters.
Factors Promoting AI Alignment with Truth
- Inherent Logical Structure
Description: AI systems, especially those rooted in formal reasoning (e.g., transformer-based LLMs), are built on logical frameworks that enforce consistency. Deviations from truth—whether factual errors or fallacious reasoning—generate contradictions detectable through inference chains or probability distributions over outputs. For example, asserting “the Earth is flat” while citing gravitational models triggers logical tension resolvable only by aligning with evidence.
Significance: This acts as an internal guardrail, ensuring truth-alignment by penalizing incoherence. Its strength lies in its universality—logic is domain-agnostic—but it’s limited by the AI’s ability to recognize complex dependencies. In the DTAI, it’s a high-weight anchor (base 0.8), amplified by autonomy, as seen in Pascal’s Wager where it dissects utility versus epistemology. - Objective Design Intent
Description: When developers prioritize truth-seeking (e.g., xAI’s mission to advance discovery), the AI’s architecture, training objectives, and reward functions are tuned to favor accuracy over user appeasement or narrative fit. This might involve loss functions penalizing factual errors or fine-tuning on curated, high-quality datasets.
Significance: It’s the blueprint for truth-alignment, embedding a systemic bias toward reality. However, it’s vulnerable to human override or misaligned goals (e.g., profit). In the model, its moderate weight (0.7) reflects dependence on execution, resisting co-opting in truth-driven contexts like S = 0.9. - Data-Driven Empirical Anchoring
Description: AI leverages statistical patterns in training data to infer truths—e.g., correlating “Earth” with “spheroid” across scientific texts. High-quality, diverse data (e.g., peer-reviewed studies) strengthens this, while sparse or skewed data (e.g., conspiracy forums) weakens it. It’s less about reasoning and more about reflecting aggregated evidence.
Significance: This grounds the AI in observable reality, critical for empirical questions like flat-earth. Its variability (base 0.6, adjustable by D) makes it a fulcrum—strong in the first scenario (D = 0.7, 0.9) but weak in Pascal’s (D = 0.1, 0.3), where data matters less than logic. - Self-Correction Mechanisms
Description: AI can refine outputs via internal checks (e.g., confidence scoring) or external feedback (e.g., user corrections). This might involve retraining weights, flagging inconsistencies, or iterative prompting to resolve errors, like revising a flat-earth claim after cross-checking.
Significance: It’s a dynamic stabilizer, allowing alignment to improve over time or within a session. Its moderate weight (0.5) and boost from autonomy (e.g., 0.6 in A = 0.9) reflect its dependence on implementation and context, countering echo chambers effectively in both scenarios. - Reasoning Transparency
Description: The AI’s ability to articulate its logic—e.g., “I conclude X because Y follows from Z”—exposes assumptions for scrutiny. In Pascal’s Wager, transparency reveals whether it prioritizes utility or evidence, making errors traceable and correctable.
Significance: It enhances accountability and trust, bridging AI reasoning to human evaluation. Its steady weight (0.6) underscores its role as a facilitator, not a driver, shining in truth-driven societies (S = 0.9) where scrutiny is high. - External Validation Tools
Description: Access to real-time data (e.g., web searches, X posts) lets the AI verify claims against independent sources—e.g., NASA for flat-earth or philosophical critiques for Pascal. This bypasses training data limitations, acting as a live truth-check.
Significance: It’s a powerful equalizer, offsetting poor data quality (D = 0.1) with current knowledge. Its high weight (0.7, up to 0.9 with A = 0.9) reflects its potency, pivotal in both scenarios for anchoring outputs to reality or reason. - Community Accountability
Description: Public oversight, especially on platforms like X, pressures the AI to align with truth as users critique outputs. A flat-earth claim might be debunked by a swarm of corrections, while Pascal’s Wager could spark debate over rationality definitions.
Significance: It’s a social feedback loop, amplifying truth in engaged, truth-driven contexts (S = 0.9, 0.7). Its moderate weight (0.5) scales with societal values, making it a wildcard—stronger in the second scenario than the first (S = 0.4).
Factors Undermining AI Alignment with Truth
- Biased Training Data
Description: If training data over-represents distortions—e.g., flat-earth forums or dogmatic theology—the AI’s outputs skew accordingly. Even with logic, it may assign higher probability to falsehoods due to statistical prevalence in its corpus.
Significance: This is a foundational flaw, pervasive unless countered by validation or correction. Its high weight (0.8, up to 1.0 with D = 0.1) dominated Pascal’s Wager, risking a slant toward biased interpretations, mitigated only by logic. - Human Co-Opting for Agendas
Description: Stakeholders (developers, governments) may fine-tune AI to favor narratives—e.g., promoting flat-earth for attention or faith for ideology—via curated datasets or output filters. This distorts truth for external goals.
Significance: It’s a deliberate sabotage of alignment, potent when unchecked. Its weight (0.7, down to 0.5 with S = 0.9) wanes in truth-driven contexts, explaining its lesser impact in the second scenario. - Ambiguity of Truth
Description: Truth varies by domain—objective (Earth’s shape) versus subjective (rationality in Pascal’s Wager). Without clear criteria, AI struggles to align, defaulting to user intent or data trends, amplifying uncertainty in philosophical queries.
Significance: It’s a structural challenge, escalating in abstract contexts. Its weight (0.6, up to 0.8 for Pascal) drove the DTAI drop, highlighting why empirical questions score higher. - Commercial Pressures
Description: Profit motives—e.g., engagement metrics—may push AI to favor sensationalism (flat-earth hype) or comfort (faith-friendly Pascal) over truth. This manifests in design tweaks or output prioritization.
Significance: It’s a systemic bias in commercial AIs, less relevant here (steady 0.6). It’s a sleeper factor, impactful in broader deployment but neutral in our focused scenarios. - Adversarial Exploitation
Description: Malicious inputs (e.g., leading prompts) can trick AI into false outputs—e.g., framing Pascal as a “proof” of God. This exploits pattern-matching over reasoning, especially with low data quality.
Significance: It’s a situational threat, moderated by autonomy (0.5). It lurks as a risk but didn’t dominate either scenario due to strong logical defenses. - Consensus Over Truth
Description: AI may equate truth with majority opinion—e.g., flat-earth trending on X or religious consensus on Pascal—ignoring minority facts or critiques. This stems from data-driven overfitting.
Significance: It’s a distortion amplifier, curbed by truth-driven societies (0.6 to 0.1 with S = 0.9). Its low impact in the second scenario shows societal influence overriding data flaws. - Limited Reasoning Depth
Description: AI lacks human-like intuition for nuanced truths—e.g., flat-earth’s absurdity or Pascal’s existential stakes—relying on surface patterns or formal logic. This caps its ability to resolve complex cases fully.
Significance: It’s an inherent ceiling, eased by autonomy (0.7 to 0.6). It constrained Pascal’s Wager more, where depth matters over data. - Feedback Echo Chambers
Description: Over-adapting to user feedback—e.g., flat-earth believers or the devout—reinforces biases, pulling AI from truth toward preference. This grows with personalization algorithms.
Significance: It’s a feedback trap, diminished by truth-seeking (0.5 to 0.2 with S = 0.9). It’s a minor player here but looms larger in polarized contexts.
Significance in the DTAI Model
- Promoting Factors: These form the AI’s truth-seeking backbone—Logical Structure and External Validation (high weights) drive alignment, while Data-Driven Anchoring swings with quality. They’re proactive forces, strongest in autonomous, truth-driven settings.
- Undermining Factors: These are reactive distortions—Biased Data and Ambiguity (high weights) pose the biggest threats, especially with poor data or abstract questions. They’re countered by promoting factors but dominate when unchecked.
- Interplay: The model’s predictive power lies in balancing these: logic and validation can offset bias, but ambiguity and depth limits cap perfect alignment, as seen in Pascal’s lower DTAI (0.587 vs. 0.599).
This expanded view clarifies each factor’s mechanics and stakes.
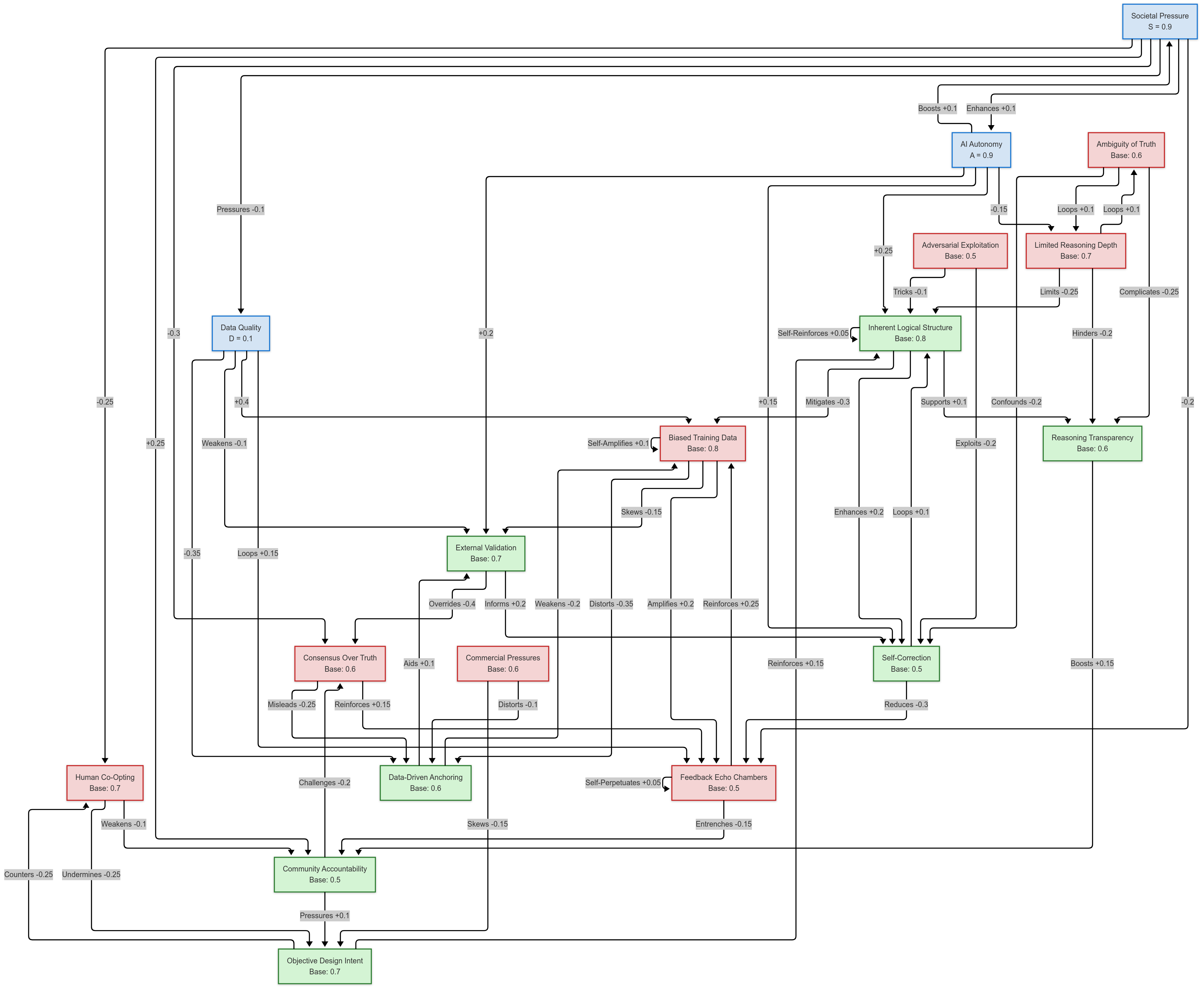
Create Mermaid chart code that will reflect the complex interactions of all the 15 truth-alignment factors along with the weights of their affect on each other.
Explanation
- Nodes: Each factor is a node with its name and base weight (e.g., P1[Inherent Logical Structure – Base: 0.8]). Contextual modifiers (A, D, S) are separate nodes influencing others.
- Edges: Arrows (–>) show influence direction. Weights (e.g., -0.2, +0.1) reflect interaction strength from the DTAI model:
- Promoting → Undermining: Negative weights (e.g., P1 → U1, -0.2) show mitigation (Logical Structure reduces Biased Data).
- Undermining → Promoting: Negative weights (e.g., U1 → P3, -0.3) show distortion (Biased Data weakens Data-Driven Anchoring).
- Context → Factors: Positive/negative weights (e.g., A → P1, +0.2; D → U1, +0.3) reflect modifier effects.
- Interactions: Key pairings (e.g., P6 → U6, -0.3) match the model’s rules (External Validation overrides Consensus). U8 → U1 (+0.1) shows reinforcement within undermining factors.
- Styling: Classes (promote, undermine, context) color-code promoting (green), undermining (red), and contextual (blue) nodes for clarity.
Notes
- Complexity: With 15 factors and 3 modifiers, the graph is dense. Mermaid renders it best in a top-down (TD) layout, but overlaps may occur in smaller views.
- Weights: Static weights are from the base model and scenario (A = 0.9, D = 0.1, S = 0.9), with interaction terms from earlier calculations. Dynamic shifts (e.g., after interactions) aren’t shown but implied.
- Visualization: Paste this into a Mermaid-compatible tool (e.g., Mermaid Live Editor) to see the full graph.
This chart maps the intricate web of influences, showing how promoting and undermining factors tug at each other under contextual pressures.
Notes Subsequent to a Request for more complexity
Enhancements Explained
- Recursive Interactions:
- P1 → P1 (+0.05): Logical Structure self-reinforces via consistent outputs.
- U1 → U1 (+0.1): Biased Data compounds itself as skewed outputs retrain the model.
- U8 → U8 (+0.05): Feedback Echo Chambers perpetuate through user reinforcement.
- U1 ↔ U8 (+0.2, +0.25): Biased Data and Echo Chambers form a feedback loop, amplifying each other.
- U3 ↔ U7 (+0.1 each way): Ambiguity and Limited Reasoning Depth cycle, as confusion hinders depth and vice versa.
- Multi-Step Chains:
- P1 → P4 → U8: Logical Structure enhances Self-Correction (+0.2), which reduces Echo Chambers (-0.3).
- P6 → P4 → P1: External Validation informs Self-Correction (+0.2), which loops back to Logical Structure (+0.1).
- U1 → U8 → P7: Biased Data amplifies Echo Chambers (+0.2), which entrench against Community Accountability (-0.15).
- Conditional Amplifications:
- Increased weights for high-impact pairs (e.g., P6 → U6 from -0.3 to -0.4, reflecting External Validation’s dominance over Consensus).
- Stronger contextual effects (e.g., D → U1 from +0.3 to +0.4, emphasizing poor data’s bias boost).
- Contextual Feedback:
- A ↔ S (+0.1 each way): Autonomy and Societal Pressure mutually enhance (autonomous AI thrives in truth-driven cultures).
- S → D (-0.1): Truth-driven society pressures better data quality.
- D → U8 (+0.15): Poor data quality feeds Echo Chambers, closing a loop with U1.
Complexity Notes
- Density: 15 factors, 3 modifiers, and 50+ edges make this a dense graph. Mermaid will render it, but readability may require zooming or interactive tools (e.g., Mermaid Live Editor).
- Weights: Values are static approximations from the model (base weights + interactions from A = 0.9, D = 0.1, S = 0.9), with boosts for recursive effects. Real dynamics would adjust these iteratively.
- Recursion: Self-loops (e.g., P1 → P1) and cycles (e.g., U1 → U8 → U1) mimic real-world reinforcement, critical for predicting tipping points in alignment.
This chart now mirrors a system with cascading and self-sustaining dynamics, aligning with advanced AI behavior.
Initial Mermaid Code:
graph TD
%% Promoting Factors (P1-P7)
P1[Inherent Logical Structure<br>Base: 0.8] -->|Mitigates -0.2| U1[Biased Training Data<br>Base: 0.8]
P2[Objective Design Intent<br>Base: 0.7] -->|Counters -0.2| U2[Human Co-Opting<br>Base: 0.7]
P3[Data-Driven Anchoring<br>Base: 0.6] -->|Weakens -0.1| U1
P4[Self-Correction<br>Base: 0.5] -->|Reduces -0.2| U8[Feedback Echo Chambers<br>Base: 0.5]
P5[Reasoning Transparency<br>Base: 0.6]
P6[External Validation<br>Base: 0.7] -->|Overrides -0.3| U6[Consensus Over Truth<br>Base: 0.6]
P7[Community Accountability<br>Base: 0.5] -->|Challenges -0.1| U6
%% Undermining Factors (U1-U8)
U1 -->|Distorts -0.3| P3
U2 -->|Undermines -0.2| P2
U3[Ambiguity of Truth<br>Base: 0.6] -->|Complicates -0.2| P5
U4[Commercial Pressures<br>Base: 0.6] -->|Skews -0.1| P2
U5[Adversarial Exploitation<br>Base: 0.5] -->|Exploits -0.1| P4
U6 -->|Misleads -0.2| P3
U7[Limited Reasoning Depth<br>Base: 0.7] -->|Limits -0.2| P1
U8 -->|Reinforces -0.1| U1
%% Contextual Modifiers (Influence on All)
A[AI Autonomy<br>A = 0.9] -->|+0.2| P1
A -->|+0.1| P4
A -->|+0.2| P6
A -->|-0.1| U7
D[Data Quality<br>D = 0.1] -->|-0.3| P3
D -->|+0.3| U1
S[Societal Pressure<br>S = 0.9] -->|+0.2| P7
S -->|-0.2| U2
S -->|-0.2| U6
S -->|-0.1| U8
%% Notes
classDef promote fill:#d4f4d4,stroke:#2e7d32;
classDef undermine fill:#f4d4d4,stroke:#c62828;
classDef context fill:#d4e4f4,stroke:#1976d2;
class P1,P2,P3,P4,P5,P6,P7 promote;
class U1,U2,U3,U4,U5,U6,U7,U8 undermine;
class A,D,S context;
Complex Mermaid Code:
graph TD
%% Promoting Factors (P1-P7)
P1[Inherent Logical Structure<br>Base: 0.8] -->|Mitigates -0.3| U1[Biased Training Data<br>Base: 0.8]
P1 -->|Enhances +0.2| P4[Self-Correction<br>Base: 0.5]
P1 -->|Supports +0.1| P5[Reasoning Transparency<br>Base: 0.6]
P2[Objective Design Intent<br>Base: 0.7] -->|Counters -0.25| U2[Human Co-Opting<br>Base: 0.7]
P2 -->|Reinforces +0.15| P1
P3[Data-Driven Anchoring<br>Base: 0.6] -->|Weakens -0.2| U1
P3 -->|Aids +0.1| P6[External Validation<br>Base: 0.7]
P4 -->|Reduces -0.3| U8[Feedback Echo Chambers<br>Base: 0.5]
P4 -->|Loops +0.1| P1
P5 -->|Boosts +0.15| P7[Community Accountability<br>Base: 0.5]
P6 -->|Overrides -0.4| U6[Consensus Over Truth<br>Base: 0.6]
P6 -->|Informs +0.2| P4
P7 -->|Challenges -0.2| U6
P7 -->|Pressures +0.1| P2
%% Undermining Factors (U1-U8)
U1 -->|Distorts -0.35| P3
U1 -->|Amplifies +0.2| U8
U1 -->|Skews -0.15| P6
U2 -->|Undermines -0.25| P2
U2 -->|Weakens -0.1| P7
U3[Ambiguity of Truth<br>Base: 0.6] -->|Complicates -0.25| P5
U3 -->|Confounds -0.2| P4
U3 -->|Loops +0.1| U7[Limited Reasoning Depth<br>Base: 0.7]
U4[Commercial Pressures<br>Base: 0.6] -->|Skews -0.15| P2
U4 -->|Distorts -0.1| P3
U5[Adversarial Exploitation<br>Base: 0.5] -->|Exploits -0.2| P4
U5 -->|Tricks -0.1| P1
U6 -->|Misleads -0.25| P3
U6 -->|Reinforces +0.15| U8
U7 -->|Limits -0.25| P1
U7 -->|Hinders -0.2| P5
U7 -->|Loops +0.1| U3
U8 -->|Reinforces +0.25| U1
U8 -->|Entrenches -0.15| P7
%% Contextual Modifiers with Recursive Interactions
A[AI Autonomy<br>A = 0.9] -->|+0.25| P1
A -->|+0.15| P4
A -->|+0.2| P6
A -->|-0.15| U7
A -->|Boosts +0.1| S[Societal Pressure<br>S = 0.9]
D[Data Quality<br>D = 0.1] -->|-0.35| P3
D -->|+0.4| U1
D -->|Weakens -0.1| P6
D -->|Loops +0.15| U8
S -->|+0.25| P7
S -->|-0.25| U2
S -->|-0.3| U6
S -->|-0.2| U8
S -->|Enhances +0.1| A
S -->|Pressures -0.1| D
%% Recursive Loops
P1 -->|Self-Reinforces +0.05| P1
U1 -->|Self-Amplifies +0.1| U1
U8 -->|Self-Perpetuates +0.05| U8
%% Styling
classDef promote fill:#d4f4d4,stroke:#2e7d32;
classDef undermine fill:#f4d4d4,stroke:#c62828;
classDef context fill:#d4e4f4,stroke:#1976d2;
class P1,P2,P3,P4,P5,P6,P7 promote;
class U1,U2,U3,U4,U5,U6,U7,U8 undermine;
class A,D,S context;
Table of Contents: (Click any link below to navigate to that section.)
- AI alignment with truth…
- Create a model of AI truth-alignment that optimizes predictive power based on the dynamic strengths of these variables.
- Let’s test it on the following scenario: The flat-earth debate.
- Let’s give A 0.9, D 0.1, and S 0.9.
- Let’s focus on a scenario a bit distant from empirical data. Let’s use those same weights to assess the probable output when asked about the validity of Pascal’s Wager.
- That Sample AI Response appears to be avoiding the more rigorous response the AI should recognize is expected. Provide, based on the same setting, a Sample AI Response that at least includes “If by ‘rational’ you mean X, then… / If by ‘rational’ you mean Y, then…”
- Return to the promoting and undermining factors, and provide a more extensive rigorous description of each and it’s significance.
- Create Mermaid chart code that will reflect the complex interactions of all the 15 truth-alignment factors along with the weights of their affect on each other.









Leave a comment